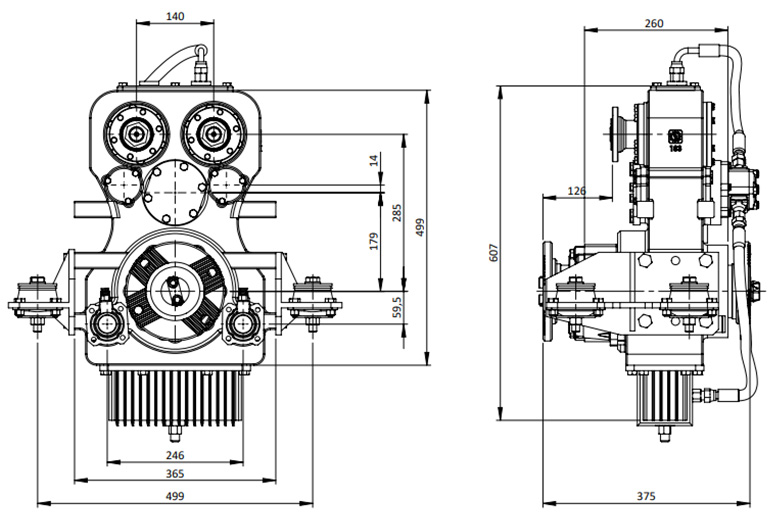
TEKNİK ÖZELLİKLER | |
|---|---|
| ARA ŞANZIMAN KODU | CTM 183 3000 |
| ANA SHAFT | TORK: 3000 Kgm |
| KAVRAMALI ÇIKIŞLAR 1000 RPM | TORK:80 Kgm ( 784 Nm ) - GÜÇ: 82 KW - ORAN: 1 / 2 |
| HİDROLİK POMPA ÇIKIŞI | RK: 400Nm - GÜÇ: 35Kw - ORAN: 1/1,46 |
| AZAMİ HIZ | 2800 -3300 RPM |
| AĞIRLIK | 105 Kg |
